Coolmay MX3G-70C-48MRT-D PLC+HMI All-in-One
The device includes functions below:
- 7.0 inch HMI+PLC all-in-one
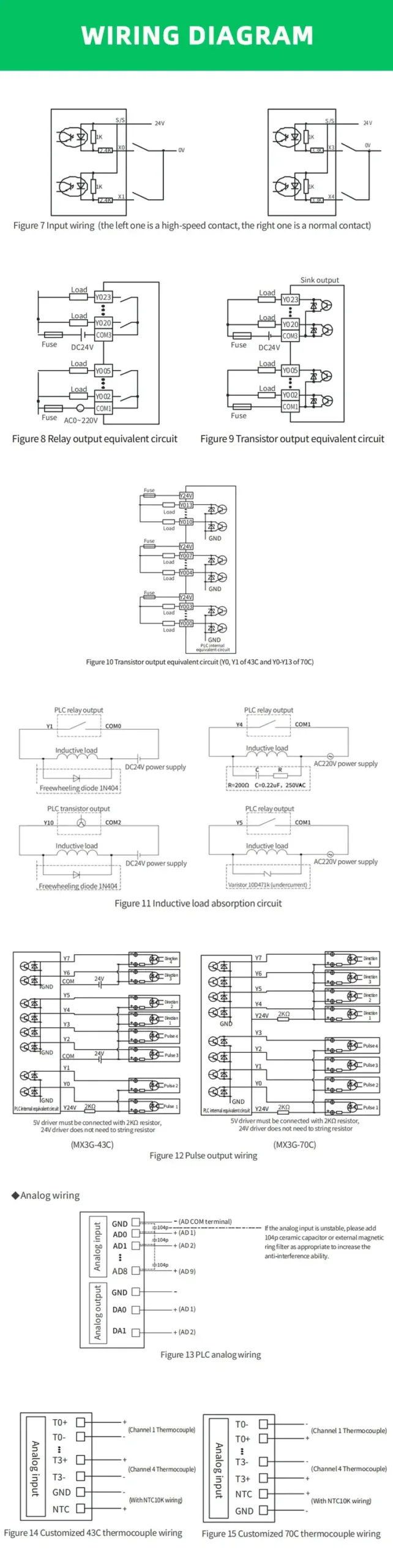
- 24DI/24DO, transistor outputs
- 5 analog inputs: 1*NTC10K, 2*0-10V, 2*0-20mA
- 2 analog outputs: 1*0-10V, 1*0-20mA
- RS232, RS485 port on PLC
| Weight | 0.8 kg |
|---|---|
| Dimensions | 25.6 × 18 × 7 cm |
| Brand | |
| Origin | Mainland China |
| Dimentions | 210×146×36mm |
| Cutout Size | 192×138mm |
| Display Size | 154×87mm |
| Resolution | 800×480 |
| Power | 6-7w |
| RAM | 64MB |
| ROM | NOR Flash 16MB |
| CPU | 32bit CPU 408MHz |
| I/O Points | Max 24DI 24DO(12T12R) |
Coolmay MX3G-70C-48MRT-D PLC+HMI All-in-One
$159.95











